GoTool GoTool GoTool GoTool GoTool
๐Ÿ”ด Latest Updates
[08 Apr 2026 05:17 PM]Nothing Phone 4A frp file 25111 OS 4.1 260317 frp...โ€ข
[08 Apr 2026 03:38 AM]Tecno Spark Go 2023 (BF7)โ€ข
[07 Apr 2026 07:54 AM]REALME NARZO N55 WIFI BLUETOOTH GPSโ€ข
[07 Apr 2026 07:53 AM]REALME NARZO N55 TOUCHSCREENโ€ข
[07 Apr 2026 07:52 AM]REALME NARZO N55 SIM CARDโ€ข
[08 Apr 2026 05:17 PM]Nothing Phone 4A frp file 25111 OS 4.1 260317 frp...โ€ข
[08 Apr 2026 03:38 AM]Tecno Spark Go 2023 (BF7)โ€ข
[07 Apr 2026 07:54 AM]REALME NARZO N55 WIFI BLUETOOTH GPSโ€ข
[07 Apr 2026 07:53 AM]REALME NARZO N55 TOUCHSCREENโ€ข
[07 Apr 2026 07:52 AM]REALME NARZO N55 SIM CARD

โœจ FREE PRODUCT
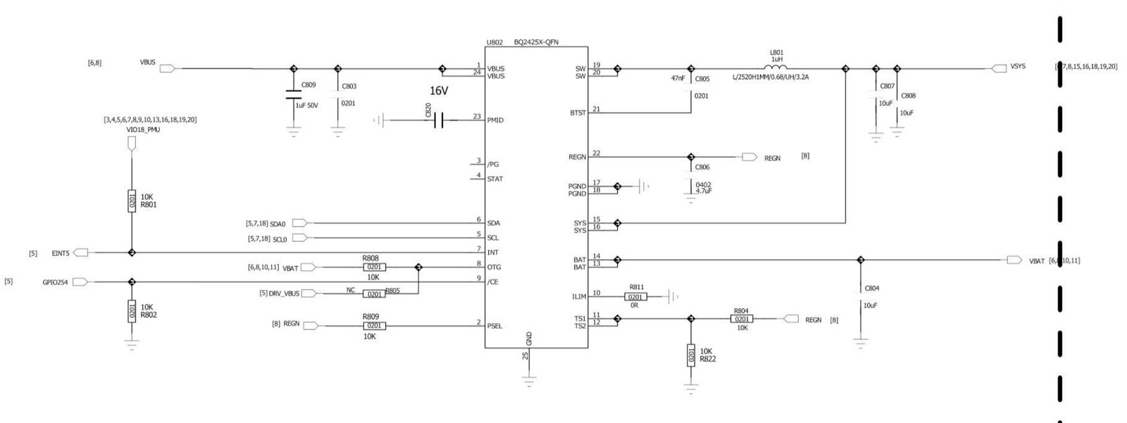
Xiaomi Redmi Note 9 Schematic

Xiaomi Redmi Note 9 Schematic

๐Ÿ“ Xiaomi / Redmi

Available Downloads

Xiaomi_Redmi_Note_9_Schematic.pdf
Ready to download
FREE
โšก Free Download โ€ข Instant Access
๐Ÿ“„
File Type
ZIP
๐Ÿ’พ
File Size
5.00 MB
๐Ÿ’ป
Platform
Android
๐Ÿš€
Delivery
Instant Download
๐Ÿ”‘
Password:-
123
0.0/5
0 global ratings
Rate this product:

๐Ÿ“ Description

Xiaomi_Redmi_Note_9_Schematic.pdf

๐Ÿ“ธ Demo Images

Reviews & Comments (0)

Please follow community guidelines: No abusive language, links, phone numbers, or emails.

No comments yet. Be the first to share your experience!

Write a review

×

Share This Product


Need Help? ๐Ÿ‘‹

Our team is here to assist you

For quick WhatsApp support