GoTool GoTool GoTool GoTool GoTool
ЁЯФ┤ Latest Updates
[08 Apr 2026 05:17 PM]Nothing Phone 4A frp file 25111 OS 4.1 260317 frp...тАв
[08 Apr 2026 03:38 AM]Tecno Spark Go 2023 (BF7)тАв
[07 Apr 2026 07:54 AM]REALME NARZO N55 WIFI BLUETOOTH GPSтАв
[07 Apr 2026 07:53 AM]REALME NARZO N55 TOUCHSCREENтАв
[07 Apr 2026 07:52 AM]REALME NARZO N55 SIM CARDтАв
[08 Apr 2026 05:17 PM]Nothing Phone 4A frp file 25111 OS 4.1 260317 frp...тАв
[08 Apr 2026 03:38 AM]Tecno Spark Go 2023 (BF7)тАв
[07 Apr 2026 07:54 AM]REALME NARZO N55 WIFI BLUETOOTH GPSтАв
[07 Apr 2026 07:53 AM]REALME NARZO N55 TOUCHSCREENтАв
[07 Apr 2026 07:52 AM]REALME NARZO N55 SIM CARD

тЬи FREE PRODUCT
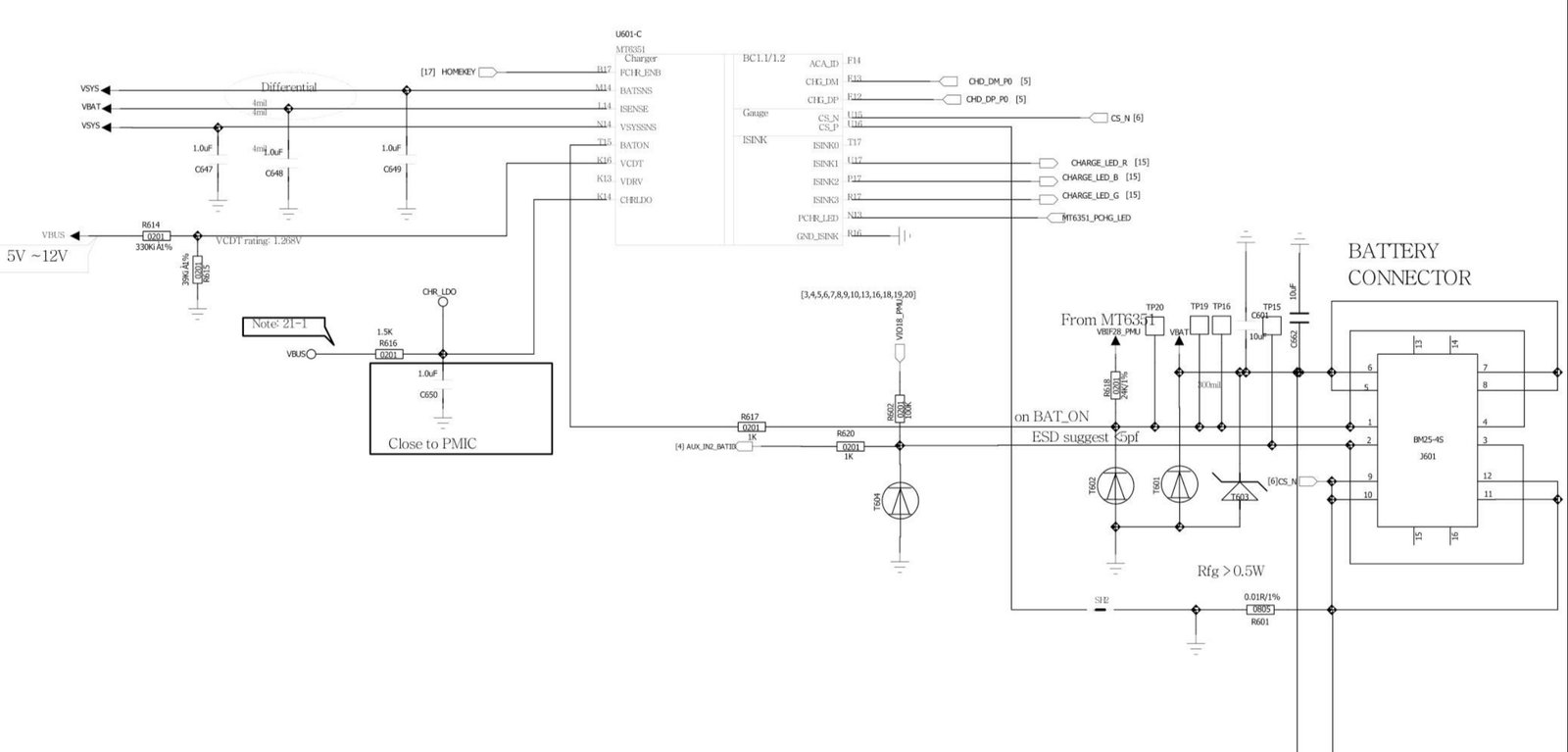
Xiaomi Redmi Note 9 Schematic

Xiaomi Redmi Note 9 Schematic

ЁЯУБ Xiaomi / Redmi

Available Downloads

Xiaomi_Redmi_Note_9_Schematic.pdf
Ready to download
FREE
тЪб Free Download тАв Instant Access
ЁЯУД
File Type
ZIP
ЁЯТ╛
File Size
5.00 MB
ЁЯТ╗
Platform
Android
ЁЯЪА
Delivery
Instant Download
ЁЯФС
Password:-
123
0.0/5
0 global ratings
Rate this product:

ЁЯУЭ Description

Xiaomi_Redmi_Note_9_Schematic.pdf
(Schematic Diagram Guide)

This schematic diagram PDF is a professional technical reference designed for mobile hardware technicians and advanced repair learners who want a deep understanding of circuit architecture and signal flow. The file provides a clear schematic layout showing how different components of the board are electrically connected, how signals travel, and how power lines are distributed across sections. Unlike simple board images, this schematic allows you to analyze the logic behind the hardware, making fault tracing, voltage checking, and component diagnosis much more accurate

Inside the document, each section of the circuit is logically organized and labeled so you can easily identify IC pins, signal paths, power domains, RF lines, and control signals. With this information, you can systematically trace faults, detect missing voltages, identify short circuits, and understand which component is responsible for a specific function. The diagram works as a technical map that guides you step-by-step through the internal structure of the board

This PDF is extremely useful for both troubleshooting and learning. Beginners can use it to understand circuit behavior and board design logic, while professionals can use it as a fast reference during live repair work. If you want to move beyond guesswork and start repairing devices with technical confidence and precision, this schematic guide will become one of your most valuable tools


---


рдпрд╣ рд╕реНрдХреАрдореИрдЯрд┐рдХ рдбрд╛рдпрдЧреНрд░рд╛рдо PDF рдПрдХ рдкреНрд░реЛрдлреЗрд╢рдирд▓ рдЯреЗрдХреНрдирд┐рдХрд▓ рд░реЗрдлрд░реЗрдВрд╕ рд╣реИ, рдЬреЛ рдореЛрдмрд╛рдЗрд▓ рд╣рд╛рд░реНрдбрд╡реЗрдпрд░ рдЯреЗрдХреНрдиреАрд╢рд┐рдпрди рдФрд░ рдПрдбрд╡рд╛рдВрд╕ рд░рд┐рдкреЗрдпрд░ рд╕реАрдЦрдиреЗ рд╡рд╛рд▓реЛрдВ рдХреЗ рд▓рд┐рдП рдмрдирд╛рдпрд╛ рдЧрдпрд╛ рд╣реИ, рддрд╛рдХрд┐ рд╡реЗ рд╕рд░реНрдХрд┐рдЯ рдХреА рдкреВрд░реА рд╕рдВрд░рдЪрдирд╛ рдФрд░ рд╕рд┐рдЧреНрдирд▓ рдлреНрд▓реЛ рдХреЛ рдЧрд╣рд░рд╛рдИ рд╕реЗ рд╕рдордЭ рд╕рдХреЗрдВред рдЗрд╕ рдлрд╝рд╛рдЗрд▓ рдореЗрдВ рдмреЛрд░реНрдб рдХрд╛ рдкреВрд░рд╛ рдЗрд▓реЗрдХреНрдЯреНрд░рд┐рдХрд▓ рдХрдиреЗрдХреНрд╢рди рд▓реЗрдЖрдЙрдЯ рджрд┐рдЦрд╛рдпрд╛ рдЧрдпрд╛ рд╣реИ, рдЬрд┐рд╕рдореЗрдВ рдпрд╣ рд╕рд╛рдл рд╕рдордЭ рдЖрддрд╛ рд╣реИ рдХрд┐ рдХреМрди-рд╕рд╛ рдХрдВрдкреЛрдиреЗрдВрдЯ рдХрд┐рд╕рд╕реЗ рдЬреБрдбрд╝рд╛ рд╣реИ, рд╕рд┐рдЧреНрдирд▓ рдХрд┐рд╕ рд░рд╛рд╕реНрддреЗ рд╕реЗ рдЧреБрдЬрд░ рд░рд╣рд╛ рд╣реИ рдФрд░ рдкрд╛рд╡рд░ рд▓рд╛рдЗрди рдХрд┐рд╕ рд╕реЗрдХреНрд╢рди рдореЗрдВ рдЬрд╛ рд░рд╣реА рд╣реИред рд╕рд╛рдзрд╛рд░рдг рдмреЛрд░реНрдб рдлреЛрдЯреЛ рдХреЗ рд╡рд┐рдкрд░реАрдд, рдпрд╣ рд╕реНрдХреАрдореИрдЯрд┐рдХ рдЖрдкрдХреЛ рд╣рд╛рд░реНрдбрд╡реЗрдпрд░ рдХреЗ рдкреАрдЫреЗ рдХреА рд▓реЙрдЬрд┐рдХ рд╕рдордЭрд╛рддрд╛ рд╣реИ, рдЬрд┐рд╕рд╕реЗ рдлреЙрд▓реНрдЯ рдЯреНрд░реЗрд╕рд┐рдВрдЧ рдФрд░ рдбрд╛рдпрдЧреНрдиреЛрд╕рд┐рд╕ рдЬреНрдпрд╛рджрд╛ рд╕рдЯреАрдХ рд╣реЛ рдЬрд╛рддрд╛ рд╣реИред

рдбреЙрдХреНрдпреВрдореЗрдВрдЯ рдХреЗ рдЕрдВрджрд░ рд╕рд░реНрдХрд┐рдЯ рдХреЗ рд╣рд░ рд╕реЗрдХреНрд╢рди рдХреЛ рд╕рд╣реА рддрд░реАрдХреЗ рд╕реЗ рд▓реЗрдмрд▓ рдФрд░ рд╡реНрдпрд╡рд╕реНрдерд┐рдд рдХрд┐рдпрд╛ рдЧрдпрд╛ рд╣реИ, рддрд╛рдХрд┐ рдЖрдк рдЖрд╕рд╛рдиреА рд╕реЗ IC рдкрд┐рди, рд╕рд┐рдЧреНрдирд▓ рд▓рд╛рдЗрди, рдкрд╛рд╡рд░ рдбреЛрдореЗрди, RF рд▓рд╛рдЗрди рдФрд░ рдХрдВрдЯреНрд░реЛрд▓ рд╕рд┐рдЧреНрдирд▓ рдкрд╣рдЪрд╛рди рд╕рдХреЗрдВред рдЗрд╕рд╕реЗ рдЖрдк рд╕реНрдЯреЗрдк-рдмрд╛рдп-рд╕реНрдЯреЗрдк рдлреЙрд▓реНрдЯ рдвреВрдБрдв рд╕рдХрддреЗ рд╣реИрдВ, рдорд┐рд╕рд┐рдВрдЧ рд╡реЛрд▓реНрдЯреЗрдЬ рдкрдХрдбрд╝ рд╕рдХрддреЗ рд╣реИрдВ, рд╢реЙрд░реНрдЯ рд╕рд░реНрдХрд┐рдЯ рдХрд╛ рдкрддрд╛ рд▓рдЧрд╛ рд╕рдХрддреЗ рд╣реИрдВ рдФрд░ рд╕рдордЭ рд╕рдХрддреЗ рд╣реИрдВ рдХрд┐ рдХреМрди-рд╕рд╛ рдкрд╛рд░реНрдЯ рдХрд┐рд╕ рдлрдВрдХреНрд╢рди рдХреЗ рд▓рд┐рдП рдЬрд┐рдореНрдореЗрджрд╛рд░ рд╣реИред рдпрд╣ рдбрд╛рдпрдЧреНрд░рд╛рдо рдПрдХ рдЯреЗрдХреНрдирд┐рдХрд▓ рдореИрдк рдХреА рддрд░рд╣ рдХрд╛рдо рдХрд░рддрд╛ рд╣реИ рдЬреЛ рдЖрдкрдХреЛ рдмреЛрд░реНрдб рдХреА рдЕрдВрджрд░реВрдиреА рд╕рдВрд░рдЪрдирд╛ рд╕рдордЭрдиреЗ рдореЗрдВ рдорджрдж рдХрд░рддрд╛ рд╣реИред

рдпрд╣ PDF рд╕реАрдЦрдиреЗ рдФрд░ рд░рд┐рдкреЗрдпрд░ рджреЛрдиреЛрдВ рдХреЗ рд▓рд┐рдП рдмреЗрд╣рдж рдЙрдкрдпреЛрдЧреА рд╣реИред рдирдП рд╕реАрдЦрдиреЗ рд╡рд╛рд▓реЗ рдЗрд╕реЗ рд╕рд░реНрдХрд┐рдЯ рдХреА рд╕рдордЭ рд╡рд┐рдХрд╕рд┐рдд рдХрд░рдиреЗ рдХреЗ рд▓рд┐рдП рдЗрд╕реНрддреЗрдорд╛рд▓ рдХрд░ рд╕рдХрддреЗ рд╣реИрдВ, рдЬрдмрдХрд┐ рдкреНрд░реЛрдлреЗрд╢рдирд▓реНрд╕ рдЗрд╕реЗ рд▓рд╛рдЗрд╡ рд░рд┐рдкреЗрдпрд░ рдХреЗ рджреМрд░рд╛рди рдХреНрд╡рд┐рдХ рд░реЗрдлрд░реЗрдВрд╕ рдХреЗ рд░реВрдк рдореЗрдВ рдЙрдкрдпреЛрдЧ рдХрд░ рд╕рдХрддреЗ рд╣реИрдВред рдЕрдЧрд░ рдЖрдк рдЕрдВрджрд╛рдЬрд╝реЗ рд╕реЗ рдХрд╛рдо рдХрд░рдиреЗ рдХреА рдмрдЬрд╛рдп рдЯреЗрдХреНрдирд┐рдХрд▓ рд╕рдордЭ рдХреЗ рд╕рд╛рде рд░рд┐рдкреЗрдпрд░ рдХрд░рдирд╛ рдЪрд╛рд╣рддреЗ рд╣реИрдВ, рддреЛ рдпрд╣ рд╕реНрдХреАрдореИрдЯрд┐рдХ рдЧрд╛рдЗрдб рдЖрдкрдХреЗ рд▓рд┐рдП рдПрдХ рдмреЗрд╣рдж рдХреАрдорддреА рдЯреВрд▓ рд╕рд╛рдмрд┐рдд рд╣реЛрдЧреАред

ЁЯУ╕ Demo Images

Reviews & Comments (0)

Please follow community guidelines: No abusive language, links, phone numbers, or emails.

No comments yet. Be the first to share your experience!

Write a review

×

Share This Product


Need Help? ЁЯСЛ

Our team is here to assist you

For quick WhatsApp support